清洗中心
Products

電 話:4006-598-119
手 機:15262554119
聯系人:盧經理
E_mail:18751140119@163.com
地 址:常熟市黃河路275號119
盛賽爾JTW-BD-885點型感溫火災探測器清洗

JTW-BD-885點型感溫火災探測器是二線制差定溫型感溫探測器,設計這類探測器是為了對開放式區域提供保護,且需與兼容的控制器配套使用。
該探測器采用現代工藝技術的熱敏元件快速反應電路,可適用于各種惡劣環境,維護簡便,故障率低。
探測器與控制器通電,該探測器處于正常的監控狀態時,發光二極管(LED)不亮,探測器處于報警狀態時,發光二極管(LED)鎖定恒亮。
| 重量 | 95g |
| 尺寸 | 102mm(直徑)×48mm(高度) |
| 工作溫度范圍 | -10℃至50℃ |
| 工作濕度范圍 | 10%至95%相對濕度,無凝結 |
| 工作電壓范圍 | 8.5至35VDC |
| 最大紋波電壓 | 30%(峰峰值) |
| 靜態電流 | ≤90μA |
| 報警電流 | 10mA-130mA |
| 報警復位時間 | 瞬間斷電(0.3秒MAX.,2.5VDCMIN.) |
| 報警溫度 | 60℃(定溫)或8.3℃/分(差溫) |
| 上電時間 | ≤5秒 |
| 執行標準 | GB4716-2005 |
| 軟件版本 | A |
| 認證標志 |
![]() |
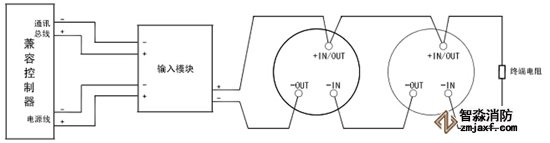
探測器與控制器的系統接線有兩種方式,詳見圖1、圖2。
1、探測器與控制器的系統接線圖(圖1)

圖1 探測器與控制器的系統接線圖
2、對于可直接連接傳統探測器的控制器系統接線圖(圖2)

圖2 對于可直接連接傳統探測器的控制器系統接線圖
江蘇蘇州智淼探測器清洗廠家主營:進口火災探測器清洗,國產煙感清洗,超聲波清洗,消防設備維修清洗,光電、等離子探測器清洗,探測器清洗網址:http://m.g-lizi.com/,清洗服務熱線:4006-598-119
Copyright ? 2002-2025 江蘇蘇州智淼消防探測器清洗廠家 版權所有 power by tcq119.com 全國各地區煙感清洗服務熱線
電 話:4006-598-119 ?? 手 機:15262554119?? 傳 真:0512-52847706 ?? E-mail:18751140119@163.com
地 址:常熟市黃河路275號119
技術支持:探測器清洗 ?? 蘇ICP備19022074號-23 網站地圖?(XML?/?TXT)
蘇公網安備32058102002163號
掃碼關注我們